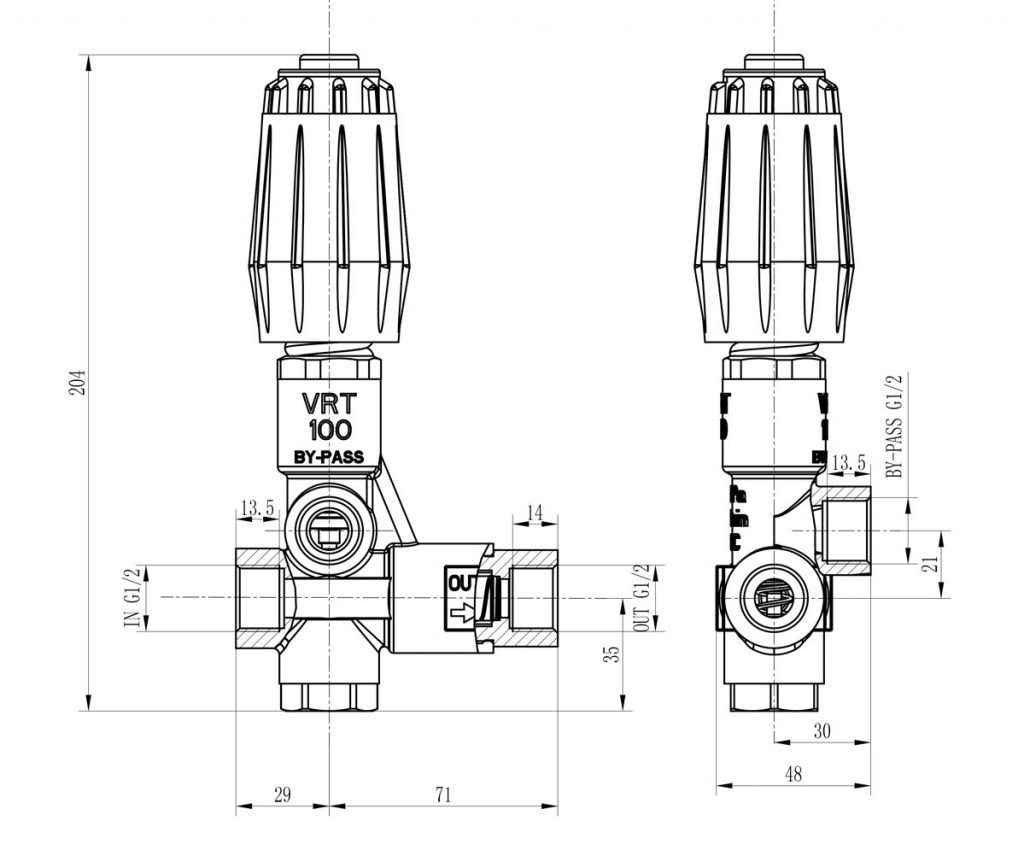
安裝尺寸圖
爆炸圖與物料清單
![]() |
![]() |
If you have any questions, you can contact us in the following ways
| 產品型號 | VRT100-A pressure regulating valve |
| 工作壓力 | 0-200bar |
| Maximum flow | 100L/min |
| 工作介質 | 清潔淡水 |
| 介質溫度 | 0℃ < t ≤ 90℃ |
| 材質 | 銅 |
| 重 ? ? ? 量 | 1.22kg |
安裝尺寸圖
爆炸圖與物料清單
![]() |
![]() |